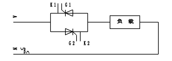
■主电路接线图

单相交流调压主电路 220V / 380V通用










三河天运通自动化测控技术有限公司创建于2009年9月23日,坐落在中国河北廊坊,是一家集自动化系统设计、产品开发、销售于一体的企业,主要致力于冶金、化工、造纸、建材、纺织等领域的生产自动化,纺织、造纸、冶金、食品、包装、印刷等机械自动化,主要业务在于自动化工程设计、安装、调试;自动化产品开发、推广、应用;在变频器、PLC及其系统集成方面创造了许多样板工程。
公司拥有一群长期从事自动化控制行业经验丰富的技术骨干,现场工作经验丰富,可为客户提供迅速及时的专业服务。
我们以“诚信立足,创新致远”的理念和“良好高效率、精心制造、诚信服务”的宗旨,以客户需求为向导,以提高产品质量和效益为目标,不断引进新的技术,为用户提供更合理的自动化解决方案和更人性化产品。
公司本着诚信、务实、客户至上,服务至上的经营理念,与广大客户共同发展双赢。公司批发支持线上、线下两种模式,方便各位采购商自主选择。在这个充满机遇挑战的新的历史时期,公司在线下能力优异的同时,逐步拓展线上销售渠道,秉承互利共赢的合作原则,公司将为各大合作商带来充足的产品,让各位采购商进货无忧、售卖无忧。
三河天运通自动化测控技术有限公司公司真诚欢迎各界朋友莅临参观、指导和业务洽谈。
一,关于产品,图片为实物拍摄,不同的电脑显示器显示颜色有些许不同,请您理解;
二,关于价格,产品价格和规格均为参考信息,下单前请务必咨询网站客服或者经理确认,自行下单者一律不发货;
三,关于物流,会尽量选用方便您的物流,如有指定,请直接说明;
四,下单之前请您跟网站客服确认或者跟经理电话咨询,避免拍错产品或者发错货物给您带来不便。
| 수입신고 1USD |
구매/결제대행 1CNY |
TT송금 1CNY |
|---|---|---|
| 6.74 CNY | 205.67 KRW | 0.149 USD |

