
本产品有: 12V 24V两种电压,请正确选择
额定工作电压:12VDC
l 额定工作电流:≤200mA
l 工作电压范围: 6~15VDC
l 出力音压:110±3dB/米(at12VDC/平台测试/30m3空间)
l 持续工作时间:≥120 Min(at 12VDC)
l 工作环境温度: -20℃~+60℃
l 音圈直流阻抗:6±0.5Ω
l 音调:单音(IC音源)

项目/Item | 规格/Spec | 条件/Condition | |
1 | 额定电压 Rated voltage | 12V |
|
2 | 工作电压 Operation voltage | 9~15V |
|
3 | 声压 Sound Pressure Level=SPL | Min 105dB | 测试环境:标准状态,标准驱动电路,额定电压 测试距离:1m Standard State,Standard Drive Circuit. Rated voltage,Distance at 1m |
4 | 振荡频率 Oscillation frequency | 2900±500Hz | |
5 | 电流 Mean Current Consumption | Max 120 mA |
|
6 | 工作温度范围 Range of operation temperature | -20~+60℃ | 声压 ≥85dB SPL ≥85dB |
7 | 保存温度范围 Range of preservation temperature | -30~+70℃ |
|
8 | 声音 Tone | Siren |
|
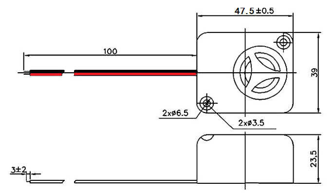
9 | 外部尺寸 Externals size | Φ47*39*23.5mm | 参阅附图 Refer to the attached drawing |
10 | 重量 Mass | 20g |
|
项目/Item | 规格/Spec | 条件/Condition | |
1 | 额定电压 Rated voltage | 12V |
|
2 | 工作电压 Operation voltage | 9~15V |
|
3 | 声压 Sound Pressure Level=SPL | Min 105dB | 测试环境:标准状态,标准驱动电路,额定电压 测试距离:1m Standard State,Standard Drive Circuit. Rated voltage,Distance at 1m |
4 | 振荡频率 Oscillation frequency | 2900±500Hz | |
5 | 电流 Mean Current Consumption | Max 120 mA |
|
6 | 工作温度范围 Range of operation temperature | -20~+60℃ | 声压 ≥85dB SPL ≥85dB |
7 | 保存温度范围 Range of preservation temperature | -30~+70℃ |
|
8 | 声音 Tone | Siren |
|
9 | 外部尺寸 Externals size | Φ47*39*23.5mm | 参阅附图 Refer to the attached drawing |
10 | 重量 Mass | 20g |
|
产品特性:
l 使用典型、成熟电路设计。
l 元器件采用优质供应商,质量可靠,性能稳定,使用寿命长。
l 采用耐高温、韧性强塑胶材料。
l 运用可靠的检测设备仪器,使品质保证。
l 产品具有一定程度上的防尘、防水、抗震等特点。
l 外壳坚韧,具有一定抗冲击、抗外力能力。
l 铁支架固定,安装牢固、方便。








