请注意!本商品所标价格非真实售价!
具体价格请咨询客服
感谢您的理解!

品牌:CYPRESS赛普拉斯
型号:CY7C1046D-10VXI
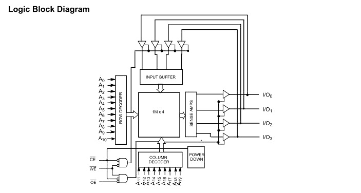
4-Mbit (1 M × 4) Static RAM
Features General Description
|
Pin- and function-compatible with CY7C1046B High speed tAA = 10 ns CMOS for optimum speed and power Low active power ICC = 90 mA at 10 ns Low CMOS standby power ISB2 = 10 mA Data retention at 2.0 V Automatic power-down when deselected TTL-compatible inputs and outputs Easy memory expansion with CE and OE features Available in lead-free 400-mil-wide 32-pin SOJ package |
The CY7C1046D is a high-performance CMOS static RAM organized as 1M words by 4 bits. Easy memory expansion is provided by an active LOW Chip Enable (CE), an active LOW Output Enable (OE), and tri-state drivers. Writing to the device is accomplished by taking Chip Enable (CE) and Write Enable
|
Key Parameters
|
Name |
Density (Kb) |
Frequency (MHz) |
Max. Operating Voltage (V) |
Min. Operating Voltage (V) |
Organization (X x Y) |
Package |
Speed (ns) |
|
CY7C1041BNL-15ZXC |
4096 |
N/A |
5.5 |
4.5 |
256K x 16 |
TSOP II |
15 |
|
CY7C1041CV33-10BAXA |
4096 |
N/A |
3.6 |
3 |
256K x 16 |
FBGA |
10 |
|
CY7C1041D-10VXI |
4096 |
N/A |
5.5 |
4.5 |
256K x 16 |
SOJ |
10 |
|
CY7C1046D-10VXI |
4096 |
N/A |
5.5 |
4.5 |
1M x 4 |
SOJ |
10 |
|
CY7C1049BNL-17VC |
4096 |
N/A |
5.5 |
4.5 |
512K x 8 |
SOJ |
17 |
|
CY7C1049CV33-10VXA |
4096 |
N/A |
3.6 |
3 |
512K x 8 |
SOJ |
10 |
|
CY7C1049D-10VXI |
4096 |
N/A |
5.5 |
4.5 |
512K x 8 |
SOJ |
10 |
|
CY7C1049G30-10VXI |
4096 |
N/A |
3.6 |
2.2 |
512K x 8 |
SOJ |
10 |
|
CY7C1049GN30-10VXI |
4096 |
N/A |
3.6 |
2.2 |
512K x 8 |
SOJ |
10 |
|
CYPT1049DV33-12FZMB |
4096 |
N/A |
3.6 |
3 |
512K x 8 |
CERPAK |
12 |




|
深圳市英尚微电子有限公司是英尚国际有限公司旗下大陆子公司,成立于2007年,是一家专业的静态 随机记忆体产品及方案提供商,十年来专业致力代理分销存储器芯片IC,SRAM、MRAM、pSRAM、 FLASH芯片、SDRAM(DDR1/DDR2/DDR3)等,为客人提供性价比更高的产品及方案。 |
|
深圳市英尚微电子中国区指定的授权代理 JSC(EMLSI)、IPSILOG、BOYA、EVERSPIN、 NETSOL、ISOCOME、 PARAGON、SINOCHIP、UNIIC 著名半导体品牌的专业分销商 如:RAMTROM、ETRON、FUJITSU、LYONTEK、WILLSEMI
|

|
韩国JSC(EMLSI),NETSOL和美国Everspin半导体中国区指定一级代理 主要产品有: 1. Low power SRAM (低功耗静态随机存储器)1Mbit~8Mbit. 2. SPI SRAM(串行静态随机存储器)64Kbit~512Kbit. 3. PSRAM[Pseudo SRAM,UtRAM] (虚拟静态随机存储器)4Mbit~64Mbit. 4. Cellular RAM(伪静态随机存储器)4Mbit~64Mbit. 5.NvSRAM,F-RAM,MRAM(非易失性存储器)256Kbit~1Gbit 6. MCP 512Mbit+256Mbit,1Gbit+512Mbit,64Mbit+32Mbit,128Mbit+64Mbit,32Mbit+16Mbit 7. Mobile SDRAM/DDR(低功耗SDRAM/DDR)128Mbit~512Mbit |




