9*9*1. 8mm 패치 압전 수동 버저 MLT-9018 혈당 미터 의료 장비 버저스토어 가기

9*9*1. 8mm 패치 압전 수동 버저 MLT-9018 혈당 미터 의료 장비 버저

₩ 319 ¥ 1.55

색상:

크기:

수량:
- +
재고:

최소 주문 수량: 1

알리타플은 고객님께서 주문한 물건을 그대로 구매대행 해드립니다.
궁금한 사항이 있으시면 언제든 고객센터로 연락주세요.

1688온라인 사이트에서 검색된 상품입니다. 알리타플에서는 상품검색/현지구매(구매대행)/국제배송 업무만 제공해드립니다. 해당 상품의 품질 및 상태에 대해서는 확인해 드릴 수 없고 해당 물건이 입고가 된 후에 검수과정을 거쳐야 확인이 가능합니다.

상세페이지

9018

A. SCOPE 
This specification applies Piezo buzzer, MLT-9018

B. SPECIFICATION

No.

Item

Unit

Specification

Condition

1

Oscillation Frequency

Hz

4000

Square Wave

2

Operating Voltage

Vp-p

1 ~25

3

Rated Voltage

Vp-p

3

4

Current Consumption

mA

MAX. 5

at Rated Voltage

5

Sound Pressure Level

dB

MIN.65

at 10cm at Rated Voltage

6

Electrostatic Capacity

pF

12000±30%

at 100Hz 1V

7

Operating Temperature

-30~ +70

8

Storage Temperature

-40 ~ +85

9

Dimension

mm

9.0 x 9.0 x H1.8

See appearance drawing

10

Weight (MAX)

gram

0.3

11

Housing Material

LCP( Black )

12

Leading Pin

Tin Plated Brass(Sn)

See appearance drawing

13

Environmental  
Protection Regulation

 RoHS

 
C. APPEARANCE DRAWING  

undefined


 
Tol : ± 0.2    Unit: mm

 

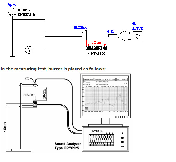
D.TESTING METHOD    
Standard Measurement conditions
Temperature:25±2℃  Humidity:45-65%

Acoustic Characteristics:
The oscillation frequency, current consumption and sound pressure are measured by the measuring instruments shown below
 undefined


In the measuring test, buzzer is placed as follows:

 
 
E. Typical Frequency Response Curve
 
 undefined

F. Soldering Condition
(1)Recommendable reflow soldering condition is as follows
(Reflow soldering is twice)
Note:It is requested that reflow soldering should be executed after heat of product goes down to normal.
undefined


  Heat resistant line
(Used when heat resistant reliability test is performed)
(2)Manual soldering
   Manual soldering temperature 350℃ within 5 sec. 
 

G. RELIABILITY TEST

NO.

ITEM

TEST CONDITION AND REQUIREMENT

1

High Temperature
Test (Storage)

After being placed in a chamber with 852℃ for 96 hours and then being placed in normal condition for 2 hours.
Allowable variation of SPL after test: 10dB.

2

Low Temperature
Test (Storage)

After being Placed in a chamber with -402℃ for 96 hours and then being placed in normal condition for 2 hours.
Allowable variation of SPL after test: 10dB.

3

Humidity Test

After being Placed in a chamber with 90-95% R.H. at 402℃ for 96 hours and then being placed in normal condition for 2 hours.
Allowable variation of SPL after test: 10dB.

4

Temperature Cycle
Test

The part shall be subjected to 5 cycles. One cycle shall be consist of:  

Allowable variation of SPL after test: 10dB.

5

Drop Test

Drop on a hard wood board of 4cm thick, any directions ,6 times, at the height of 75cm .
Allowable variation of SPL after test: 10dB.

6

Vibration Test

After being applied vibration of amplitude of 1.5mm with 10 to 55 Hz band of vibration frequency to each of 3 perpendicular directions for 2 hours .
Allowable variation of SPL after test: 10dB.

7

Solderability
Test

Lead terminals are immersed in rosin for 5 seconds and then immersed in solder bath of +3005℃ for 31 seconds .
90% min. lead terminals shall be wet with solder
(Except the edge of terminals).

8

Terminal Strength
Pulling Test

The force of 9.8N(1.0kg) is applied to each terminal in axial direction for 10 seconds.
No visible damage and cutting off.

TEST CONDITION. 
Standard Test Condition        :      a) Temperature : +5 ~ +35℃  b) Humidity : 45-85%        c) Pressure : 860-1060mbar 
Judgment Test Condition       :      a) Temperature : +25 ± 2℃    b) Humidity : 60-70%        c) Pressure : 860-1060mbar 
 

H. PACKING STANDARD 
undefined



상호: 주식회사 와이지넷코리아 (YOUNG GROUP NET KOREA CO., LTD.)    대표: 주용규    사업자등록번호: 223-81-14426    통신판매업신고번호: 제 2015-서울강남-02499호
우편번호 : 07505    서울시 강서구 하늘길210 김포국제공항 구화물청사 4번GATE 361-4호   
TEL:(배송확인) 070-5001-0885    (업무상담) 070-4337-1714    업무제휴문의:ygnkorea@gmail.com

웨이하이센터상호: 威海韩运国际贸易有限公司 法定代表人: 朱 勇奎 统一社会信用代码: 91371000MA3U6XGW6N 进出口: 37109409C6
(264200) 山东省 / 威海市 / 环翠区 / 西苑街道 / 贝卡尔特路91-2号 / 威广物流园西门 / 韩运国际贸易 TAPL
TEL : +86) 0631- 598 -1400    FAX : +86) 0631- 598 -1144
TAPL Hanyun International Trade , West Gate of Weihai Logistics Park, Bekart Road-91, Xiyuan Street, Huancui District, Weihai City, Shandong Province,CHINA (ZIPCODE 264200)
Copyright© 2023-2024 alitapl.com All Rights Reserved