
参数规格:
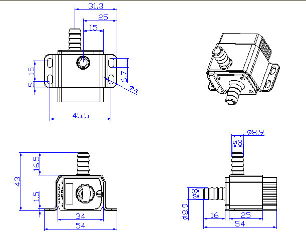
1、泵体尺寸及重量:54mm*54mm*43mm
2、净重:50g
3、水泵出水口外径:8mm
4、水泵进水口外径: 8mm
5、水泵壳体材料:PA66+30%GF
6、最大负载电流:额定电流±0.02
7、使用介质:水,油,以及其他酸碱溶液(以试验为准)
8、流体工作温度:-10-50℃(液体未冻结状态下)
9、工作环境温度:-10-50℃
10、可储存温度:-10-50℃
11、噪音:<35dB(有水运作下)
12、防水等级:IP68(可潜水安装)
13、供电方式:太阳能板,蓄电池,适配器,电源模块
14、使用寿命:连续20000小时以上
特点:
1、体积小,效率高,寿命长,噪音低;
2、陶瓷轴芯,碳纤维石墨轴套耐磨;
3、死亡率低于0.5%
4、无碳刷无磨损,采用电子换向,
5、水电隔离,环氧树脂灌封,完全防水,防漏电;

尺寸图:

参数表 :(仅供参考,水泵5-12V,扬程范围0.5-3M,以下为常规型号,定制参数请与专业人员沟通)
|
型号 |
电压范围 |
额定电压 |
最大负载电流 |
最大扬程 |
开口流量 |
最大功耗 |
|
V (dc) |
V (dc) |
A |
m |
L/H |
W |
|
|
WIN-130203 |
5-12v |
12 |
0.38 |
3 |
220 |
4.5 |


流量曲线图:

安装方式:


注意事项:
1.选型时务必给出使用环境:如连续工作时间、水温、介质等,水泵功率超过24W就不适合长期在60度以上水温连续工作,请务必与专业人员沟通以便选择最合适的水泵型号!
2.上述电流为水泵的开口电流即当水泵直接放入水中不接任何系统时的电流,也为水泵最大电流,当水泵接上系统之后水泵的工作电流会降低到最大负载电流的70%-85%。
3.水泵的扬程为最大送水高度,即到达最大扬程点的流量为零。
4.水泵的流量为水平流量,即水平抽水的流量。
应用范围:
电动汽车散热系统,自动化设备水循环,水制冷等电器,饮水机,卫浴产品,碎纸机,无土栽培,水暖床垫,空调抽水,水族鱼缸,桌面工艺品,足浴盆,水暖床垫,热水器,电脑水冷,水冷风扇,医疗器械,制药系统,化工,循环系统,冷却散热系统,制冷系统,水冷空调,水冷风扇,移动洗澡机,太阳能喷泉,太阳能循环系统,家庭增压系统,别墅供水系统,小型灌溉系统,水处理系统,小型供水系统,汽车循环系统,汽车加热系统,机床,家用电器,厨房电器,卫浴产品, 热水循环系统。
| 수입신고 1USD |
구매/결제대행 1CNY |
TT송금 1CNY |
|---|---|---|
| 6.59 CNY | 210.43 KRW | 0.149 USD |
