ZD19 구멍 여기 파 속도 테스터 | 디지털 파 속도 테스터 |스토어 가기

ZD19 구멍 여기 파 속도 테스터 | 디지털 파 속도 테스터 |

₩ 16,569,446 ¥ 83000.0

색상:

크기:

수량:
- +
재고:

최소 주문 수량: 1

알리타플은 고객님께서 주문한 물건을 그대로 구매대행 해드립니다.
궁금한 사항이 있으시면 언제든 고객센터로 연락주세요.

1688온라인 사이트에서 검색된 상품입니다. 알리타플에서는 상품검색/현지구매(구매대행)/국제배송 업무만 제공해드립니다. 해당 상품의 품질 및 상태에 대해서는 확인해 드릴 수 없고 해당 물건이 입고가 된 후에 검수과정을 거쳐야 확인이 가능합니다.

상세페이지

ZD19 孔中激振式波速测试仪(加强防水型)

 

 4428022333_1916737921

 

产品概述:

ZD19孔中激振式波速测试仪是一套三通道高分辨率、数字化的波速测试仪器,具有分时采样,迭加、滤波、信号增强、抑制噪声以及现场实时计算、显示实测波形和测试结果等功能。

ZD19孔中激振式波速测试仪主要由波速测试仪、波速探测器(简称:探头)及专用连接电缆等组成;波速探测器主要由圆柱体金属防水全密封电磁激振源、两个独立全密封检波器、阻尼及高强度软胶管等组成

研究地基的振动特性;

研究滑坡等地质灾害调查;

适用地脉动卓越周期测试等。

依据适用工程勘察剪切波、压缩波测试;

适用对地层进行划分,并确定地基的持力层;

适用对抗震设计提供参数:划分场地土类型和场地类别,判别地基土液化等;

研究土层的工程性质;

适用划分岩石风化层;

适用较深钻孔及地层恶劣条件的波速测试,不受场地条件限制;

 

依据标准:

《岩土工程勘察规范》········GB 50021—2001

《建筑抗震设计规范》·········GB50011—2010

《地基动力特性测试规范》······GB/T50269-97

高层建筑岩土工程勘察规程···JGJ72-2004

港口岩土工程勘察规范······JTS133-1-2010

《港口工程地质勘察规范》······JTJ240-97

 

功能特点:

我们为您提供的这款ZD19孔中激振式波速测试仪,采用当今最新型的专业级工控机控制,高清高亮度大屏幕彩色触摸显示器,在Windows系统平台上,采用XP操作系统以触摸方式操作这款仪器,使得您操作过程更加方便自如。

这款仪器采用孔中激振方式(即中激发,中接收不需地面敲击振源),您只需在【内触发】键上轻轻一按就可采集到孔中任意深度的波速相关信息并自动处理,同时波速值就呈现在您的面前,为您省去了许多地面激振的繁琐过程,也为您解决了水下钻孔波速测试的难题。

选择了我们为您提供的这款ZD19孔中激振式波速测试仪,您的钻孔波速测试过程会变得更加方便、轻松、快捷、自如。

 

工作原理:

ZD19孔中激振式波速测试仪是利用放置到钻孔中的检波器接收到震源传来的S波信号到达初至时间,来确定钻孔所在处地层波速的一种方法。

在钻孔中以井液作为耦合剂,用电磁震激振源垂直于井壁作用一瞬时冲击力,就在井壁地层中产生两种类型质点振动,一种是质点振动方向垂直于井壁,沿井壁方向传播,称为S波(剪切波,横波);另一种是质点振动方向与传播方向相同称为P波(压缩波,纵波)。

检波器接收S波的振动信号并转换成电信号,然后传输到计算机,计算机对信号进行数据处理后采用两道互相关分析方法,自动计算S波在两道检波器间传播的时间差,从而计算出两道间的S波传播速度。

 

技术参数:undefined

型号

波速测试仪

显示屏

10.1高清高亮度彩色屏

操作方式

触摸屏

通道数

1至3道可选

采样间隔

0.003ms~10ms

采样点数

512~16384

各道时间一致性

≤1个采样间隔

各道振幅一致性

<3%

频率范围

1~1000Hz

前放增益

18~60dB

A/D转换精度

48位

输入阻抗

≤10kΩ

触发方式

脉冲、通断

延时

0~8000ms可选

储存容量

16G硬盘

通讯口

支持U盘、鼠标、键盘

工作温度

-10℃~+42℃;湿度:<90%

储存温度

-20℃~+60℃

电源

DC 12V、DC 48V(内置锂电池≥16小时),充电电压220V±5%

体积

430×360×190(mm)

重量

10Kg

波速探测器

检波器

自然频率60Hz

灵敏度

30V/m/s

电磁式激振源

DC 48V,电流≤6A

地脉动传感器

频带

0.5~100Hz

灵敏度

1v/mm/s

 

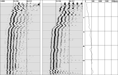
波速测试波形图及成果图

 

undefined

undefined

 

标准配置: 

 

序号

名称

单位

数量

备注

1

波速测试仪

1

/

2

波速探测器

1

简称:探头

3

专用电缆

1

110m

4

电源线

1

/

5

鼠标

1

/

6

键盘

1

/

7

U盘

1

/

8

触摸笔

1

/

9

仪器箱

1

/

10

电缆箱

1

/

11

防护手套

2

/

12

产品保修卡

1

/

13

使用手册

1

/

14

产品合格证

1

/

15

装箱单

1

/

16

地脉动传感器

1

选配件

 

产品详图:

undefined

 

 

工程案例:

undefined

 

广州白云机场地铁波速测试现场

undefined

 

昆明高铁站

undefined

 

马尔代夫

 

상호: 주식회사 와이지넷코리아 (YOUNG GROUP NET KOREA CO., LTD.)    대표: 주용규    사업자등록번호: 223-81-14426    통신판매업신고번호: 제 2015-서울강남-02499호
우편번호 : 07505    서울시 강서구 하늘길210 김포국제공항 구화물청사 4번GATE 361-4호   
TEL:(배송확인) 070-5001-0885    (업무상담) 070-4337-1714    업무제휴문의:ygnkorea@gmail.com

웨이하이센터상호: 威海韩运国际贸易有限公司 法定代表人: 朱 勇奎 统一社会信用代码: 91371000MA3U6XGW6N 进出口: 37109409C6
(264200) 山东省 / 威海市 / 环翠区 / 西苑街道 / 贝卡尔特路91-2号 / 威广物流园西门 / 韩运国际贸易 TAPL
TEL : +86) 0631- 598 -1400    FAX : +86) 0631- 598 -1144
TAPL Hanyun International Trade , West Gate of Weihai Logistics Park, Bekart Road-91, Xiyuan Street, Huancui District, Weihai City, Shandong Province,CHINA (ZIPCODE 264200)
Copyright© 2023-2024 alitapl.com All Rights Reserved