ZD18 종합 파 속도 테스터 | 디지털 파 속도 테스트 기기 | 파 속도 검출기 |스토어 가기

ZD18 종합 파 속도 테스터 | 디지털 파 속도 테스트 기기 | 파 속도 검출기 |

₩ 16,609,373 ¥ 83200.0

색상:

  • ZD18

크기:

수량:
- +
재고:

최소 주문 수량: 1

알리타플은 고객님께서 주문한 물건을 그대로 구매대행 해드립니다.
궁금한 사항이 있으시면 언제든 고객센터로 연락주세요.

1688온라인 사이트에서 검색된 상품입니다. 알리타플에서는 상품검색/현지구매(구매대행)/국제배송 업무만 제공해드립니다. 해당 상품의 품질 및 상태에 대해서는 확인해 드릴 수 없고 해당 물건이 입고가 된 후에 검수과정을 거쳐야 확인이 가능합니다.

상세페이지

ZD18 综合式波速测试仪

 

undefined

 

产品概述:

ZD18综合式波速测试仪是一套三通道高分辨率、数字化的波速测试仪器,具有分时采样,迭加、滤波、信号增强、抑制噪声以及现场实时计算、显示实测波形和测试结果等功能。

ZD18综合式波速测试仪主要由波速测试仪、波速探测器(简称:探头)、三分量检波器、触发检波器、地脉动传感器及专用电缆等组成;波速探测器主要由圆柱体金属防水全密封电磁激振源、两个独立全密封检波器、阻尼及高强度软胶管等组成。

应用范围:

 

适用工程勘察剪切波、压缩波测试;

适用对地层进行划分,并确定地基的持力层;

适用对抗震设计提供参数:划分场地土类型和场地类别,判别地基土液化等;

研究土层的工程性质;

适用划分岩石风化层;

适用较深钻孔及地层恶劣条件的波速测试,不受场地条件限制;

研究地基的振动特性;

研究滑坡等地质灾害调查;

适用地脉动卓越周期测试等。

依据标准:

 

《岩土工程勘察规范》························GB 50021—2001

《建筑抗震设计规范》························GB50011—2010

《地基动力特性测试规范》····················GB/T50269-97

高层建筑岩土工程勘察规程·················JGJ72-2004

港口岩土工程勘察规范··················· JTS133-1-2010

《港口工程地质勘察规范》····················JTJ240-97

产品功能:

 

适用于孔中激振方式即中激发,中接收,无需地面敲击振源,实现孔中波速测试精准性

适用于扣板方式即利用重锤敲击地面振板,从而使振动波沿地层向下传播,实现波速测试;

适用于低频震动传感器测试地脉动卓越周期、振幅、速度及加速度等参数。

产品特点:

 

采用10.1高清高亮度彩色触摸屏,并配用专用触摸笔;

采用Windows XP操作系统;

支持内触发、外触发采样模式;

图形保存采用*.bmp和*.txt格式,方便出具报告;

适用于各种复杂地质地层波速测试,不受外界环境影响;

操作方便,性能稳定,采用工控级主板,信噪比高,抗干扰能力强,适应恶劣环境;

采用进口机箱,整机密封,美观牢固,结构合理,具有良好的抗振、防潮、防水、防尘性能;

仪器采用内置可充锂电池,可连续独立完成工作不少于16小时,并配有专用电源线;

仪器小巧轻便,携带方便,适用于复杂的物探现场测试。

工作原理:

ZD18孔中激振式波速测试仪是利用放置到钻孔中的检波器接收到震源传来的S波信号到达初至时间,来确定钻孔所在处地层波速的一种方法。

在钻孔中以井液作为耦合剂,用电磁震激振源垂直于井壁作用一瞬时冲击力,就在井壁地层中产生两种类型质点振动,一种是质点振动方向垂直于井壁,沿井壁方向传播,称为S波(剪切波,横波);另一种是质点振动方向与传播方向相同称为P波(压缩波,纵波)。

检波器接收S波的振动信号并转换成电信号,然后传输到计算机,计算机对信号进行数据处理后采用两道互相关分析方法,自动计算S波在两道检波器间传播的时间差,从而计算出两道间的S波传播速度。

 

技术参数

:undefined

undefined

波速测试仪

显示屏

10.1高清高亮度彩色屏

操作方式

触摸屏

通道数

1至3道可选

采样间隔

0.003ms~10ms

采样点数

512~16384

各道时间一致性

≤1个采样间隔

各道振幅一致性

<3%

频率范围

1~1000Hz

前放增益

18~60dB

A/D转换精度

48位

输入阻抗

≤10kΩ

触发方式

脉冲、通断

延时

0~8000ms可选

储存容量

16G硬盘

通讯口

支持U盘、鼠标、键盘

工作温度

-10℃~+42℃;湿度:<90%

储存温度

-20℃~+60℃

电源

DC 12V、DC 48V(内置锂电池≥16小时),充电电压220V±5%

体积

430×360×190(mm)

重量

10Kg

波速探测器

检波器

自然频率60Hz

灵敏度

30V/m/s

电磁式激振源

DC 48V,电流≤6A

扣板式检波器

固有频率

38Hz

灵敏度

30V/m/s

地脉动传感器

频带

0.5~100Hz

灵敏度

1v/mm/s

 

波速测试方法:

仪器分类

优缺点

波速测试仪对比

仪器型号

ZD11扣板式

ZD16孔中激振式

ZD18综合式

测试方法

地面敲击测试波速

孔中自动测试波速

A.孔中自动测试波速

B.地面敲击测试波速

测试步骤

A.放置振板、触发器

B.重锤敲击振板

C.采集波形数据

D.分析处理

A.直接采集波形数据

B.分析处理

前两种方式任选

测孔深度

孔越深精准性越差

无影响(可测百米)

前两种方式任选

测试精度

震源与检波器距离远,影响测试精度

震源与检波器距离1m范围,测试精度高

前两种方式任选

测试波速

S波(剪切波,横波)P波(压缩波,纵波)

S波(剪切波,横波)

前两种方式任选

测试场地

陆地

江河海、滩涂地、陆地

前两种方式任选

地脉动测试

测试地脉动卓越周期、振幅、速度等

 

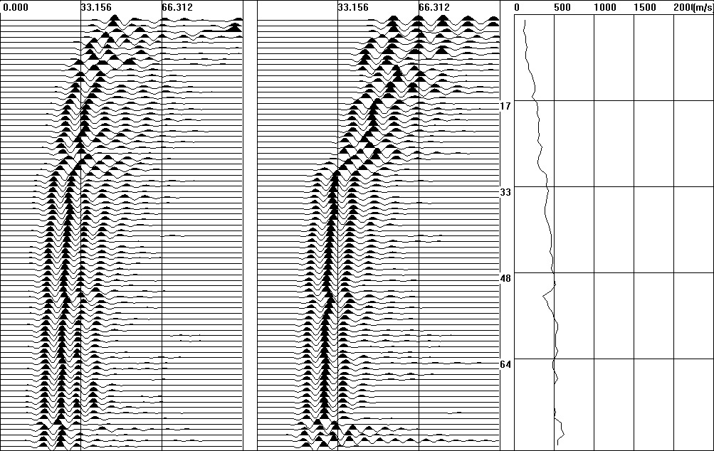
波速测试波形图及成果图:

 undefined

undefined

标准配置:

序号

名称

单位

数量

备注

1

ZD18主机

1

/

2

专用电源线

2

110m /50m

3

波速探测器

1

/

4

三分量扣板式检波器

1

/

5

地面激发触发器

1

/

6

分析处理软件

1

免费升级

7

触摸笔

1

/

8

键盘

1

/

9

鼠标

1

/

10

电源线

1

/

11

电缆箱

1

/

12

仪器箱

1

/

13

U盘

1

/

14

配套采集软件

1

免费升级

15

说明书

1

/

产品详图:

 

undefined

 

 

 

工程案例:

undefined

 

广州白云机场地铁波速测试现场

undefined

 

昆明高铁站

undefined

 

马尔代夫

 

상호: 주식회사 와이지넷코리아 (YOUNG GROUP NET KOREA CO., LTD.)    대표: 주용규    사업자등록번호: 223-81-14426    통신판매업신고번호: 제 2015-서울강남-02499호
우편번호 : 07505    서울시 강서구 하늘길210 김포국제공항 구화물청사 4번GATE 361-4호   
TEL:(배송확인) 070-5001-0885    (업무상담) 070-4337-1714    업무제휴문의:ygnkorea@gmail.com

웨이하이센터상호: 威海韩运国际贸易有限公司 法定代表人: 朱 勇奎 统一社会信用代码: 91371000MA3U6XGW6N 进出口: 37109409C6
(264200) 山东省 / 威海市 / 环翠区 / 西苑街道 / 贝卡尔特路91-2号 / 威广物流园西门 / 韩运国际贸易 TAPL
TEL : +86) 0631- 598 -1400    FAX : +86) 0631- 598 -1144
TAPL Hanyun International Trade , West Gate of Weihai Logistics Park, Bekart Road-91, Xiyuan Street, Huancui District, Weihai City, Shandong Province,CHINA (ZIPCODE 264200)
Copyright© 2023-2024 alitapl.com All Rights Reserved