


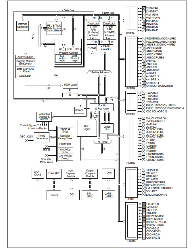
高性能改进的RISC CPU 改良的哈佛建筑 C编译器优化的指令集架构 灵活的寻址模式 83条基本指令 24位宽指令,16位宽数据路径 66k字节片内闪存程序空间 4kb片内数据RAM 1 kb非易失性数据EEPROM 16 x 16位工作寄存器阵列 高达30 MIPS的运算速度: - DC至40 MHz外部时钟输入 - 4 MHz-10 MHz振荡器输入 PLL有效(4倍、8倍、16倍) 多达41个中断源: -八个用户可选的优先级 -五个外部中断源 -四个处理器陷阱 DSP特性: 双重数据读取 模数和位反转模式 两个40位宽累加器,可选 饱和逻辑 17位x 17位单周期硬件小数/ 整数乘法器 所有DSP指令都是单周期的 -乘累加(MAC)运算 单循环16档换档 外围功能: 高电流吸电流/源电流I/O引脚:25 mA/25 mA 五个16位定时器/计数器;可选配对 16位定时器到32位定时器模块 16位捕捉输入功能 16位比较/PWM输出功能 数据转换器接口(DCI)支持通用 音频编解码器协议,包括I2S和AC'97 三线式SPI模块(支持四种帧模式) I2C模块支持多主/从模式 和7位/10位寻址 两个带FIFO的可寻址UART模块 缓冲 两个符合CAN 2.0B的CAN总线模块 标准 模拟功能: 12位模数转换器(ADC ),内置: - 200 ksps转换速率 -多达16个输入通道 -睡眠和空闲期间可转换 可编程低压检测(PLVD) 可编程掉电检测和复位 产生 特殊微控制器特性: 增强型闪存程序存储器: - 10,000次擦除/写入周期(最小。)对于 工业温度范围,100K(典型值) 数据EEPROM存储器: - 100,000次擦除/写入周期(最小。)对于 工业温度范围,1M(典型值) 在软件控制下可自行重新编程 上电复位(POR)、上电定时器(PWRT) 和振荡器启动定时器(OST) 片内集成灵活的看门狗定时器(WDT) 用于可靠操作的低功率RC振荡器 故障安全时钟监控器操作: -检测时钟故障并切换到片内模式 低功率RC振荡器 可编程代码保护 在线串行编程(ICSP) 编程能力 可选电源管理模式: -睡眠、空闲和备用时钟模式



感谢您选择我们深圳市佰嘉盈电子有限公司
我们的宗旨就是:只做原装,不冒假货,诚信为本,百家共赢
让我们有机会为您服务
注:本产品图片、价格、库存数量、产品属性等仅供参考,电子IC产品有波动,具体请您详细咨询客服,以双方沟通核对为准哦,不建议您在此链接下直接下单,欢迎旺旺咨询后下单
| 수입신고 1USD |
구매/결제대행 1CNY |
TT송금 1CNY |
|---|---|---|
| 6.74 CNY | 205.67 KRW | 0.149 USD |
