


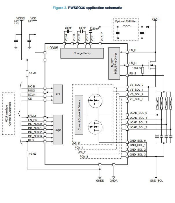
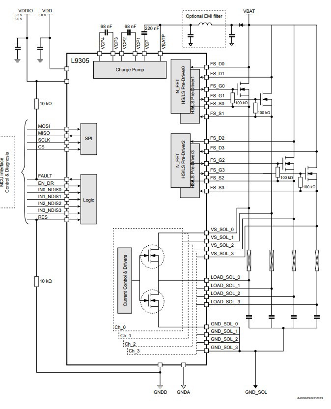
通过AEC-Q100认证 4通道独立LSD/HSD电流控制驱动器 –集成电流检测路径 –电流精度(在正常范围内) 0至0.5安范围内的5毫安 0.5安至1.5安范围内的1% –电流精度(扩展范围内) 0至0.3安范围内为15毫安 0.3 A至0.5 A范围内的±5% 0.5安至2安范围内的4% –最大驱动器rd son 375mω@ 175°C –13位电流设定点分辨率 –可变和固定频率电流控制 –可编程扰动功能 –可选驱动器压摆率控制 安全特性 –带VDS监控的高端故障安全使能开关预驱动器 –冗余安全启用路径 –使用BIST进行高级诊断和监控 –温度传感器和监控 –所有通道的冗余电流检测 –校准和配置存储器,包括CRC –使用地址反馈、5位CRC、帧实现安全串行通信 计数器和长/短帧检测 –寄存器验证 32位SPI通信,带5位CRC消息验证 封装选项:PWSSO36、TQFP48 完全符合ISO26262标准,ASIL-D系统就绪 描述 L9305是为控制而设计的可配置的单片螺线管驱动器ic 用于自动变速器、电子稳定控制和主动式 暂停应用。四个通道可以配置为低端 、或任何组合的高端驱动器。该器件包括功率晶体管, 电源和再循环的再循环晶体管和电流感测 晶体管。这种架构保证了电流测量的冗余 每个频道。 调节电流可在0-1.5 A(正常范围)范围内编程,A 分辨率为0.25 mA,或0-2 A(扩展范围),分辨率为0.33 mA。这 用户可以在设定点电流上叠加可配置的扰动调制。



感谢您选择我们深圳市佰嘉盈电子有限公司
我们的宗旨就是:只做原装,不冒假货,诚信为本,百家共赢
让我们有机会为您服务
注:本产品图片、价格、库存数量、产品属性等仅供参考,电子IC产品有波动,具体请您详细咨询客服,以双方沟通核对为准哦,不建议您在此链接下直接下单,欢迎旺旺咨询后下单
| 수입신고 1USD |
구매/결제대행 1CNY |
TT송금 1CNY |
|---|---|---|
| 6.74 CNY | 205.67 KRW | 0.149 USD |
