
200W像素OV2640摄像头模块 新款 STM32F4驱动源码 支持JPEG输出 标配摄像头镜头焦距3.6mm,可选配其它百万像素镜头。
1. 模块简介
OV2640摄像头模块,采用1/4寸的OV2640百万高清CMOS传感器制作。具有高灵敏度、高灵活性、支持JPEG输出等特点。并且可支持曝光、白平衡、色度、饱和度、对比度等众多参数设置,支持JPEG/RGB565格式输出,可以满足不同场合需求。
模块参数性能:
1,传感器尺寸:1/4寸。
2,像素:1600*1200(200W)。
3,输出格式:RGB565/JPEG/YUV/YCbCr等。
4,控制接口:SCCB。
5,工作电压:3.3V
6,模块尺寸:27mmX27mm
OV2640图像传感器具有200万像素(1632x1232像素),其体积小、工作电压低,提供单片UXGA摄像和影像处理器的所有功能。通过SCCB总线控制,可以输出整帧、子采样、取窗口等方式的各种分辨率10位采样数据。该产品UXGA图像达到15帧/秒。用户可以完全控制图像质量、数据格式和传输方式。所有图像处理功能过程包括伽玛曲线、白平衡、饱和度、色度等都可以通过SCCB接口编程。OmmiVision图像传感器应用的传感器技术,通过减少或消除光学或电子缺陷如固定图案噪声、托尾、浮散等,提高图像质量,得到清晰的稳定的彩色图像。
该产品采用OV2640传感器作为核心部件,集成有源晶振和LDO,接口简单,使用非常方便。
模块特点:
● 高灵敏度、 低电压适合嵌入式应用
● 标准的SCCB接口,兼容I2C接口
● RawRGB,RGB(GRB4:2:2,RGB565/555/444),YUV(4:2:2)和YCbCr(4:2:2)输出格式
● 支持UXGA、SXGA,VGA,QVGA,QQVGA,CIF,QCIF以及直到40x30大小的各种尺寸
● 支持自动曝光控制、自动增益控制、自动白平衡,自动消除灯光条纹、自动黑电平校准.图像质量控制包括色饱和度、色
相、伽玛、锐度ANTI_BLOOM等设置。
● 支持图像缩放、平移和窗口设置
● 支持图像压缩,即可输出JPEG图像数据
● 自带嵌入式微处理器
● 集成有源晶振12M,无需外部提供时钟
● 集成LDO,只需供电3.3V即可正常工作
模块各种参数,如图所示:


2. 模块管脚说明

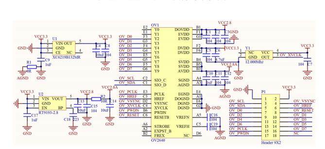
OV2640摄像头原理图

OV2640摄像头管脚说明
从上图可以看出,OV2640摄像头总共需要15个IO口驱动






| 수입신고 1USD |
구매/결제대행 1CNY |
TT송금 1CNY |
|---|---|---|
| 6.52 CNY | 212.85 KRW | 0.145 USD |
