![%`MI{ZT5OL_AY]V%493{UO8](https://cbu01.alicdn.com/img/O1CN01snUcp11tU58OoTdYd_!!2586235904-0-cib.jpg?__r__=1655693799028)
|
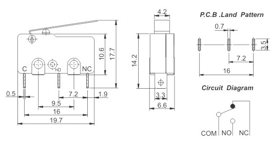
微动开关系列主要技术指标
|
|||
|
使用温度范围
|
-40-70oC
|
耐压
|
AC250V(50Hz)/min
|
|
额定负荷
|
0.4A60VDC
5A 250V
|
动作力
|
60-70
|
|
接触电阻
|
<0.02Ω
|
寿命
|
300000次
|
|
绝缘电阻
|
>100MΩ
|
||





|
Operating Frequency (mechanical).....120 operations / mim
|
|
Operating Frequency (electrical).....All ratings-10~30 operations / mim
|
|
Contact Resistance (initial).....30m Ω (Max.)
|
|
Insulation Resistance (at 500VDC).....100M Ω (Min.)
|
|
Dielectric Strength (50-60Hz).....1000VAC RMS
|
|
Service Life (mechanical).....Min. 5000000 operations
|
|
Service Life (electrical).....Min. 10000 operations
|
|
Operating Frequency (mechanical).....120 operations / mim
|
|
Operating Frequency (electrical).....10~30 operations / mim
|
|
Contact Resistance (initial).....300m Ω (Max.)
|
|
Insulation Resistance (at 500VDC).....100M Ω (Min.)
|
|
Dielectric Strength (50-60Hz).....1000VAC RMS
|
|
Service Life (mechanical).....Min. 10000000 operations
|
|
Service Life (electrical).....Min. 6000 operations
|
|
Operating Frequency (mechanical).....120 operations / mim
|
|
Operating Frequency (electrical).....0.1A-120,3A-10~30 operations / mim
|
|
Contact Resistance (initial).....100m Ω (Max.)
|
|
Insulation Resistance (at 500VDC).....100M Ω (Min.)
|
|
Dielectric Strength (50-60Hz).....1000VAC RMS
|
|
Service Life (mechanical).....Min. 1000000 operations
|
|
Service Life (electrical).....3A-Min. 10000 operations
|
|
Operating Frequency (mechanical).....120 operations / mim
|
|
Operating Frequency (electrical).....10~30 operations / mim
|
|
Contact Resistance (initial).....30m Ω (Max.)
|
|
Insulation Resistance (at 500VDC).....100M Ω (Min.)
|
|
Dielectric Strength (50-60Hz).....1000VAC RMS
|
|
Service Life (mechanical).....Min. 2000000 operations
|
|
Service Life (electrical).....Min. 10000 operations
|




